匠心筑梦展风采技能强校谱新篇
——机电专业优秀作业成果展纪实
【开篇导语】
在职业教育高质量发展的新征程中,我校始终坚持以技能培养为核心,以成果展示促提升。近日,教务处联合机电教研室精心遴选了一批代表性强、完成度高的优秀作业进行集中展示,通过树标杆、立典型,在全校营造“比学赶超”的浓厚学习氛围。
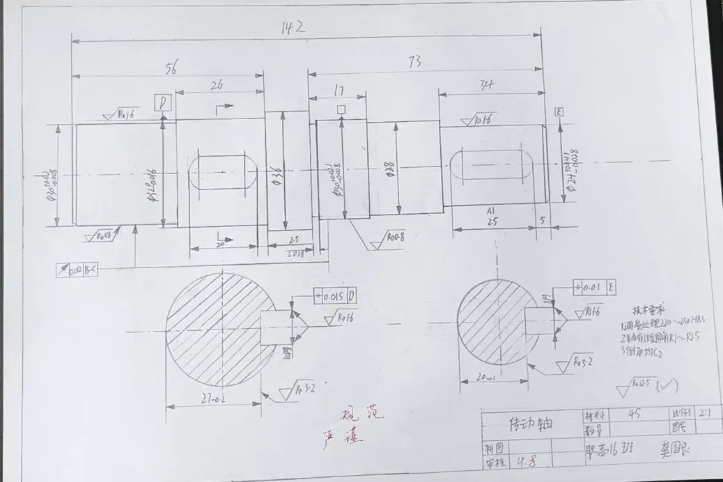
【模块一】机械制图:以笔为尺绘就工业蓝图
机电专业2201班叶雨臻、龚国良等同学的机械制图作品成为展览首日的“明星展品”。这些作品系统呈现了: - 规范标准的精准把握:从图线类型到尺寸公差,每个细节都严格遵循GB标准 - 表达方法的创新应用:巧妙运用局部剖视、旋转视图等技法,使复杂结构一目了然 - 工程思维的生动体现:将三维空间构想转化为二维图纸的能力令人赞叹
▲李旭泉老师专业点评: 这些图纸堪称“工业语言典范”,既彰显了同学们精益求精的专业素养,更生动诠释了设计构思的可视化表达能力。希望大家以此次展览为契机,持续精进,筑牢机械工程师的核心技能根基。
【模块二】电工电子:巧手连通电路世界
汽修专业2401班汪子轩、颜鲁庆、闫吉涛团队的作品让抽象的电路理论“活”了起来: ✓ 理论验证:通过多组对比实验,直观展示欧姆定律、基尔霍夫定律等核心原理在不同电路中的适用性 ✓ 器件探究:精准展示对二极管、三极管、场效应管等关键元件的特性曲线测量、工作原理验证以及典型应用电路搭建的全过程✓ 实战应用:演示如何根据电路需求进行参数匹配以及元件间的协同作用对整体电路性能的影响机制

▲汪老师教学手记: “这些作品充分展现‘做中学’的探索精神。同学们用万用表丈量理论,用电烙铁焊接理想,这正是我们倡导的新时代工匠精神。”
【模块三】机械制造:毫厘之间见真章
机电一体化2401班滕泽毅、常建文、张亚龙团队带来的零件图集引发热议:
☆ 复杂箱体:采用阶梯剖视技法,内部结构层次分明
☆ 精密轴类:公差标注精确到μ级,展现机械之美
☆ 创新设计:融合3D打印技术制作的教具模型更添亮点

▲曹海燕老师实训感悟: “0.01毫米的精度追求,是机械制造的灵魂所在。这些作品让我们看到了未来大国工匠的雏形。”
【结语】
本次展览不仅是一次作业展示,更是我校“以赛促教、以展促学”教学成果的生动呈现。期待更多同学勤于学习、脚踏实地、不断提升自己,努力在技能成才之路上绽放光彩,展现青春匠心风采!
撰稿人:李旭泉 王晓琳
编辑:王淑萍
初审:王 洁
复审:李晓艳
终审:杨新潮